Редуктор для дисковых поворотных затворов REON тип RSV98
Редуктор применяется для открытия и закрытия затвора, обладающего большим крутящим моментом на штоке.
Подробнее
от 3 014 ₽
Нет в наличии
Ожидается
Новосибирск
В пути: 60 шт.
Ожидается: 15.06.2026
В пути: 60 шт.
Ожидается: 25.06.2026
Ожидается: 120 шт.
DN
- 40-80
- 100
- 125-150
- 200
- 250
- 300-350
Хотите стать дилером?
Описание
Описание
Редуктор применяется для открытия и закрытия затвора, обладающего большим крутящим моментом на штоке. Служит для понижения угловых скоростей и увеличения крутящих моментов. Использование редуктора облегчает процесс управления арматурой и позволяет открывать/закрывать затворы с меньшим физическим усилием.Технические характеристики
| 1 | Номинальный диаметр, DN | 40-350 мм |
| 2 | Степень защиты | IP66 |
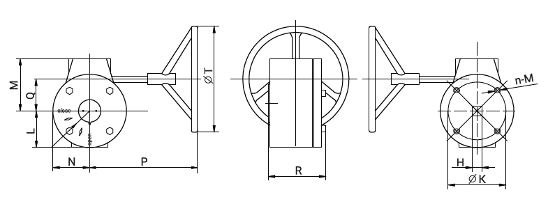
Габаритные и присоединительные размеры
| Артикул | DN | Тип фланца | Передаточное число | Габаритные и присоединительные размеры, мм | Масса, кг | |||||||||
| P | N | ØT | M | Q | R | L | ØK | n-M | H | |||||
| ISO 5211 | ||||||||||||||
| 040-080RSV98 | 40-80 | F05 | 24:1 | 140 | 48 | 135 | 70 | 43 | 56 | 48 | 50 | 4-М6 | 9 | 2,1 |
| 100RSV98 | 100 | F07 | 24:1 | 140 | 48 | 135 | 70 | 43 | 56 | 48 | 70 | 4-М6 | 11 | 2,2 |
| 125-150RSV98 | 125-150 | F07 | 24:1 | 140 | 48 | 135 | 70 | 43 | 56 | 48 | 70 | 4-М6 | 14 | 2,2 |
| 200RSV98 | 200 | F10 | 30:1 | 190 | 64 | 250 | 85 | 53 | 68 | 64 | 102 | 4-М6 | 17 | 5 |
| 250RSV98 | 250 | F10 | 30:1 | 190 | 64 | 250 | 85 | 53 | 68 | 64 | 102 | 4-М6 | 22 | 5 |
| 300-350RSV98 | 300-350 | F10 | 50:1 | 200 | 72 | 250 | 102 | 75 | 74 | 72 | 102 | 4-М6 | 22 | 6,5 |
Характеристики
|
Тип
|
RSV98 |
|
DN
|
40-350 |
Паспорт
Задать вопрос
Задать вопрос
| Новосибирск | В пути: 60 шт. Ожидается: 15.06.2026 шт. В пути: 60 шт. Ожидается: 25.06.2026 шт. |

