Задвижка чугунная с обрезиненным клином REON тип RSV04-T, PN10/16
В пути: 20 шт.
Ожидается: 15.06.2026
- 40
- 50
- 65
- 80
- 100
- 125
- 150
- 200
- 250
- 300
- 350
- 400
- 450
- 500
- 600
Описание
Задвижка чугунная является арматурой общего назначения, используется в различных отраслях в качестве запорного устройства.
Область применения
Задвижки с обрезиненным клином применяются в системах холодного и горячего водоснабжения, а также конструкция задвижки позволяет использовать ее в системах канализации.
Задвижка – вид запорной арматуры, она позволяет перекрыть поток жидкости в трубопроводе при необходимости.
Фланцевый тип задвижки обозначает, что деталь присоединяется между дисками фланцев труб при помощи крепежных элементов. Такие задвижки используются в системах тепло- и водоснабжения в области ЖКХ и пожаротушения, а также на различных крупных промышленных предприятиях.
Корпус задвижки REON тип RSV04-T производится из высокопрочного чугуна GGG50 , устойчивого к повышенной влажности, защищенного от ржавчины, стойкого к изменениям температуры.
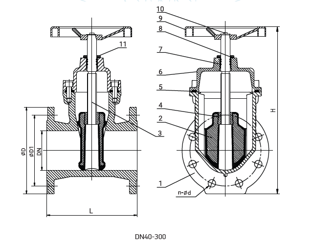
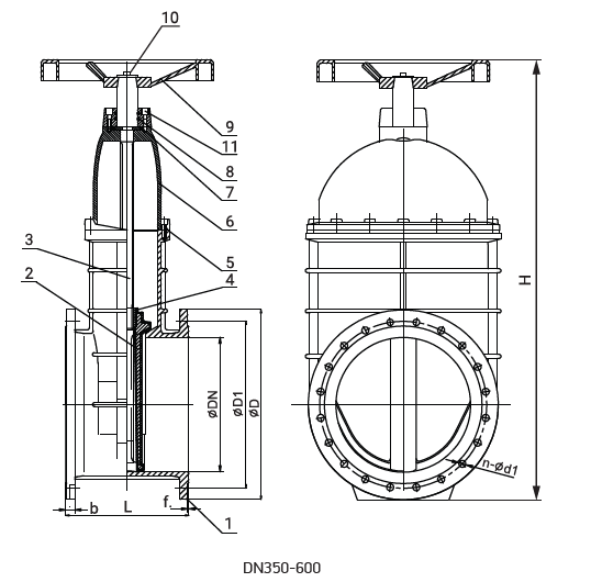
Конструкция чугунной фланцевой задвижки
Чугунные задвижки с обрезиненным клином имеют гладкий внутренний проход.
Одно из главных отличий конструкции задвижек с обрезиненным клином и не выдвижным шпинделем заключается в особом исполнении запорного органа. Закрытие арматуры осуществляется с помощью гайки. Она соединена с обрезиненным клином и при вращении шпинделя движется поступательно, обеспечивая опускание клина до полного соприкосновения с внутренней поверхностью корпуса. При изготовлении клина используют высокопрочный чугун, а снаружи он покрыт EPDM.
Главные преимущества задвижек:
- Обладают маленьким гидросопротивлением.
- Отличаются простой конструкцией и способом монтажа.
- Имеют относительно небольшую цену.
- Могут применяться в различных условиях.
Технические характеристики
| 1 | Номинальный диаметр DN | 40-600 мм |
| 2 | Максимальное давление, PN |
10/16 бар |
| 3 | Диапазон допустимых температур | От -10ºС до +120ºС |
| 4 | Рабочая температура | От -10ºС до +95ºС |
| 5 | Максимальная температура | +120ºС (кратковременно) |
| 6 | Присоединение | Фланцевое |
| 7 | Класс герметичности | А (по ГОСТ 9544-2015) |
Габаритные и присоединительные размеры
|
Артикул |
DN |
Габаритные размеры, мм | Присоединительные фланцы, мм |
Масса, кг |
|||||
| L | H | ØD | ØD1 | n-Ød | b | f | |||
| PN10/16 | |||||||||
| 040RSV04-Т | 40 | 140 | 290 | 150 | 110 | 4-Ø18 | 19 | 3 | 9,1 |
| 050RSV04-Т | 50 | 150 | 300 | 165 | 125 | 4-Ø18 | 19 | 3 | 9,4 |
| 065RSV04-Т | 65 | 170 | 340 | 185 | 145 | 4-Ø18 | 19 | 3 | 12,2 |
| 080RSV04-Т | 80 | 180 | 380 | 200 | 160 | 8-Ø18 | 20 | 3 | 15 |
| 100RSV04-Т | 100 | 190 | 430 | 220 | 180 | 8-Ø18 | 21 | 3 | 18,4 |
| 125RSV04-Т | 125 | 200 | 510 | 250 | 210 | 8-Ø18 | 22 | 3 | 27 |
| 150RSV04-Т | 150 | 210 | 580 | 285 | 240 | 8-Ø23 | 22 | 3 | 32,6 |
| 200RSV04-Т | 200 | 230 | 680 | 340 | 295 | 8-Ø23/ 12-Ø23 | 23 | 3 | 50 |
| 250RSV04-Т | 250 | 250 | 820 | 405 | 350/ 355 | 12-Ø23/ 12-Ø27 | 26 | 3 | 77 |
| 300RSV04-Т | 300 | 270 | 930 | 460 | 400/ 410 | 12-Ø23/ 12-Ø27 | 26 | 3 | 111 |
| 350RSV04-Т | 350 | 290 | 1100 | 505/ 520 | 460/ 470 | 16-Ø23/ 16-Ø28 | 24,5/ 26,5 | 4 | 145 |
| 400RSV04-Т | 400 | 310 | 1160 | 565/ 580 | 515/ 525 | 16-Ø28/ 16-Ø31 | 24,5/ 28 | 4 | 203 |
| 450RSV04-Т | 450 | 330 | 1300 | 615/ 640 | 565/ 585 | 20-Ø28/ 20-Ø31 | 25,5/ 30 | 4 | 295 |
| 500RSV04-Т | 500 | 350 | 1420 | 670/ 715 | 620/ 650 | 20-Ø28/ 20-Ø34 | 26,5/ 31,5 | 4 | 345 |
| 600RSV04-Т | 600 | 390 | 1650 | 780/ 840 | 725/ 770 | 20-Ø31/ 20-Ø37 | 30/ 36 | 5 | 475 |
Материалы конструкции


| 1 | Корпус | Высокопрочный чугун GGG50 |
| 2 | Клин | Высокопрочный чугун GGG50, покрытый EPDM |
| 3 | Шток | Нержавеющая сталь AISI 420 |
| 4 | Гайка клина | Латунь |
| 5 | Уплотнение крышки | EPDM |
| 6 | Крышка | Высокопрочный чугун GGG50 |
| 7 | Уплотнительное кольцо | EPDM |
| 8 | Уплотнительное кольцо | EPDM |
| 9 | Штурвал | Чугун |
| 10 | Гайка штока | Нержавеющая сталь |
| 11 | Прижимная гайка сальника | Латунь |
Диаграмма зависимости «Температура-Давление»

Kv (м3/ч) задвижки чугунной
| DN | 40 | 50 | 65 | 80 | 100 | 125 | 150 | 200 | 250 | 300 | 350 | 400 | 500 | 600 |
| Kv | 118 | 229 | 360 | 537 | 933 | 1598 | 2685 | 5004 | 8393 | 12072 | 16348 | 21528 | 37117 | 52626 |
Условия монтажа
Перед монтажом необходимо:
- очистить (продуть) трубопроводы от грязи, песка, окалины;
- произвести расконсервацию, снять заглушки с проходных отверстий, удалить антикоррозионную смазку из магистральных проходов. Для удобства обслуживания и осмотра рекомендуется устанавливать задвижки в следующих рабочих положениях:
- вертикальном (при положении маховика сверху);
- горизонтальном (при положении маховика с отклонением от вертикали не более 90°С).
Условия эксплуатации
- Задвижки должны использоваться строго по назначению в соответствии с рабочими параметрами, указанными в технической документации.
- В процессе эксплуатации, пусконаладочных и ремонтных работ задвижки не допускается использовать в качестве регулирующего устройства.
- Для своевременного выявления и устранения неисправностей необходимо периодически подвергать задвижку осмотру и проверке. Осмотр производится в соответствии с правилами и нормами, принятыми на предприятии, эксплуатирующем задвижки.
- По мере необходимости рекомендуется:
- производить подтяжку втулки сальника;
- восстанавливать нарушенное лакокрасочное защитное покрытие.
- Все детали задвижек взаимозаменяемые. Переворачивать клин уплотнительными поверхностями не рекомендуется во избежание потери герметичности.
- Затвор задвижки при эксплуатации необходимо поднимать полностью до верхнего упора и плотно закрывать вручную.
Условия транспортировки и хранения
- Хранение и транспортировка должна осуществляться без ударных нагрузок при температуре: -40…+65 °С.
- Условия транспортировки и хранения по группе Ж1 ГОСТ 15150-69.
- Задвижки транспортируются в таре по ГОСТ 2991-85 и раскрепляются от возможных перемещений с опущенным до упора клином.
- Допускается транспортировка без упаковки, при этом рекомендуется маховик снимать во избежание поломки.
- При подъеме, погрузке и разгрузке задвижка должна находиться в горизонтальном положении во избежание повреждений.
Гарантийные обязательства
Гарантийный срок при соблюдении потребителем правил транспортировки, хранения, монтажа и эксплуатации устанавливается 12 месяцев с момента ввода в эксплуатацию, но не более 18 месяцев с момента продажи. Все вопросы, связанные с гарантийными обязательствами, обеспечивает предприятие-продавец.
|
Тип
|
RSV04 |
|
DN
|
40-600 |
|
PN
|
10/16 |
|
Т раб.
|
от -10ºС до +95ºС |
|
Т макс.
|
+120°С (кратковременно) |
Задать вопрос
| Новосибирск | В пути: 20 шт. Ожидается: 15.06.2026 шт. |

