Задвижка чугунная с обрезиненным клином REON тип RSV03, PN 10
- 200
- 250
- 300
- 350
- 400
- 500
- 600
|
Тип
|
RSV03 |
|
DN
|
50-600 |
|
PN
|
10 |
|
Т раб.
|
от -10ºС до +95ºС |
|
Т макс.
|
+120°С (кратковременно) |
Описание
Задвижка чугунная является арматурой общего назначения, используется в различных отраслях в качестве запорного устройства.
Область применения
Задвижки с обрезиненным клином применяются в системах холодного и горячего водоснабжения, а также конструкция задвижки позволяет использовать ее в системах канализации.
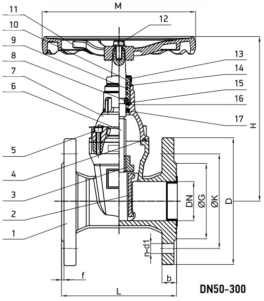
Технические характеристики
| 1 | Номинальный диаметр DN | 50-600 мм |
| 2 | Максимальное давление, PN | 10 бар |
| 3 | Диапазон допустимых температур | От -10ºС до +120ºС |
| 4 | Рабочая температура | От -10ºС до +95ºС |
| 5 | Максимальная температура | +120ºС (кратковременно) |
| 6 | Присоединение | Фланцевое |
| 7 | Класс герметичности | А (по ГОСТ 9544-2015) |
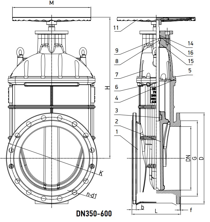
Габаритные и присоединительные размеры
| Артикул | DN | Габаритные размеры, мм | Присоединительные фланцы, мм | Вес, кг | |||||||
| L | H | M | D | K | G | n-d1 | b | f | |||
| 200RSV03 | 200 | 230 | 485 | 315 | 340 | 295 | 266 | 8-Ø23 | 20 | 3 | 49,4 |
| 250RSV03 | 250 | 250 | 600 | 406 | 405 | 350 | 319 | 12-Ø23 | 22 | 3 | 84,7 |
| 300RSV03 | 300 | 270 | 680 | 406 | 460 | 400 | 370 | 12-Ø23 | 24,5 | 3 | 106 |
| 350RSV03 | 350 | 290 | 810 | 500 | 505 | 460 | 429 | 16-Ø23 | 24,5 | 4 | 106 |
| 400RSV03 | 400 | 310 | 890 | 500 | 565 | 515 | 480 | 16-Ø28 | 24,5 | 4 | 210 |
| 500RSV03 | 500 | 350 | 1230 | 650 | 670 | 620 | 582 | 20-Ø28 | 26,5 | 4 | 419 |
| 600RSV03 | 600 | 390 | 1260 | 650 | 780 | 725 | 682 | 20-Ø31 | 30 | 5 | 655 |
Материалы конструкции


| 1 | Корпус | Высокопрочный чугун GGG50 |
| 2 | Клин | Высокопрочный чугун GGG50, покрытый EPDM |
| 3 | Гайка клина | Латунь, марка CuZN39Pb2 |
| 4 | Уплотнение крышки | NBR |
| 5 | Болты крепления крышки | Сталь 35 |
| 6 | Шток | Нержавеющая сталь 2Cr13 |
| 7 | Крышка | Высокопрочный чугун GGG50 |
| 8 | Прижимная сальниковая втулка | Латунь CuZN39Pb2 |
| 9 | Уплотнительное кольцо | NBR |
| 10 | Прижимная гайка сальника | Латунь CuZN39Pb2 |
| 11 | Штурвал | DN 50-300 – сталь DN 350-600 - чугун |
| 12 | Гайка | Сталь St37 |
| 13 | Пыльник | NBR |
| 14 | Уплотнительное кольцо | NBR |
| 15 | Уплотнительное кольцо | NBR |
| 16 | Упорная шайба | Нейлон |
| 17 | Манжета | NBR |
Диаграмма зависимости «Температура-Давление»
Kv (м3/ч) задвижки чугунной
| DN | 200 | 250 | 300 | 350 | 400 | 450 | 500 | 600 |
| Kv | 6000 | 10000 | 16000 | 18000 | 33000 | 39000 | 53000 | 85000 |
Условия монтажа
Перед монтажом необходимо:
- очистить (продуть) трубопроводы от грязи, песка, окалины;
- произвести расконсервацию, снять заглушки с проходных отверстий, удалить антикоррозионную смазку из магистральных проходов. Для удобства обслуживания и осмотра рекомендуется устанавливать задвижки в следующих рабочих положениях:
- вертикальном (при положении маховика сверху);
- горизонтальном (при положении маховика с отклонением от вертикали не более 90°С).
Условия эксплуатации
- Задвижки должны использоваться строго по назначению в соответствии с рабочими параметрами, указанными в технической документации.
- В процессе эксплуатации, пусконаладочных и ремонтных работ задвижки не допускается использовать в качестве регулирующего устройства.
- Для своевременного выявления и устранения неисправностей необходимо периодически подвергать задвижку осмотру и проверке. Осмотр производится в соответствии с правилами и нормами, принятыми на предприятии, эксплуатирующем задвижки.
- По мере необходимости рекомендуется:
- производить подтяжку втулки сальника;
- восстанавливать нарушенное лакокрасочное защитное покрытие.
- Все детали задвижек взаимозаменяемые. Переворачивать клин уплотнительными поверхностями не рекомендуется во избежание потери герметичности.
- Затвор задвижки при эксплуатации необходимо поднимать полностью до верхнего упора и плотно закрывать вручную.
Условия транспортировки и хранения
- Хранение и транспортировка должна осуществляться без ударных нагрузок при температуре: -40…+65 °С.
- Условия транспортировки и хранения по группе Ж1 ГОСТ 15150-69.
- Задвижки транспортируются в таре по ГОСТ 2991-85 и раскрепляются от возможных перемещений с опущенным до упора клином.
- Допускается транспортировка без упаковки, при этом рекомендуется маховик снимать во избежание поломки.
- При подъеме, погрузке и разгрузке задвижка должна находиться в горизонтальном положении во избежание повреждений.
Гарантийные обязательства
Гарантийный срок при соблюдении потребителем правил транспортировки, хранения, монтажа и эксплуатации устанавливается 12 месяцев с момента ввода в эксплуатацию, но не более 18 месяцев с момента продажи. Все вопросы, связанные с гарантийными обязательствами, обеспечивает предприятие-продавец.
Задать вопрос
| Новосибирск | 8 шт. |

