Вентиль запорный фланцевый с сильфонным уплотнением REON тип RSV17
Популярные товары
Вентиль запорный фланцевый с сильфонным уплотнением является арматурой общего назначения, используется в различных отраслях в качестве запорного устройства. Уплотнением по штоку является сильфон из нержавеющей стали. Данный тип вентиля в процессе работы не требует сервисного обслуживания, т.к. в нем используется сильфонное уплотнение.
Подробнее
от 8 457 ₽
Остатки на складах
Новосибирск
Наличие: 105 шт.
Москва
Наличие: 214 шт.
Наличие: 319 шт. на складах
DN
- 15
- 20
- 25
- 32
- 40
- 50
- 65
- 80
- 100
- 125
- 150
- 200
- 250
- 300
Хотите стать дилером?
Характеристики
|
Тип
|
RSV17 |
|
DN
|
15-300 |
|
PN
|
16 |
|
Т макс.
|
+300°С |
Описание
Описание
Вентиль запорный фланцевый с сильфонным уплотнением является арматурой общего назначения, используется в различных отраслях в качестве запорного устройства. Уплотнением по штоку является сильфон из нержавеющей стали. Данный тип вентиля в процессе работы не требует сервисного обслуживания, т.к. в нем используется сильфонное уплотнение.
Область применения
Вентиль запорный фланцевый с сильфонным уплотнением применяется в системах холодного и горячего водоснабжения, пар, нейтральные среды, на слабых кислотах и щелочах.Технические характеристики
| 1 | Номинальный диаметр, DN | 15-300 мм |
| 2 | Максимальное давление, PN | 16 бар |
| 3 | Максимальная температура | +300˚С |
| 4 | Присоединение | Фланцевое |
| 5 | Класс герметичности | А (по ГОСТ 9544-2015) |
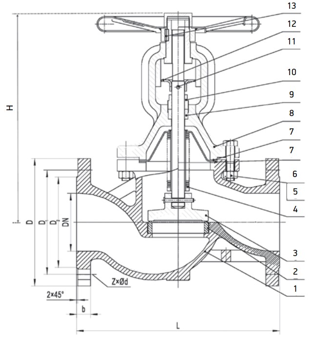
Габаритные и присоединительные размеры
| Артикул | DN | Размеры, мм | Масса, кг | ||||||
| L | H | D | D1 | D2 | b-f | Z-Ød | |||
| 015RSV17 | 15 | 130 | 167 | 95 | 65 | 46 | 14-2 | 4-Ø14 | 3,7 |
| 020RSV17 | 20 | 150 | 167 | 105 | 75 | 56 | 16-2 | 4-Ø14 | 4,4 |
| 025RSV17 | 25 | 160 | 175 | 115 | 85 | 65 | 16-2 | 4-Ø14 | 5,6 |
| 032RSV17 | 32 | 180 | 186 | 140 | 100 | 76 | 18-2 | 4-Ø19 | 8,1 |
| 040RSV17 | 40 | 200 | 220 | 150 | 110 | 84 | 18-2 | 4-Ø19 | 9,9 |
| 050RSV17 | 50 | 230 | 239 | 165 | 125 | 99 | 20-2 | 4-Ø19 | 13,3 |
| 065RSV17 | 65 | 290 | 266 | 185 | 145 | 118 | 20-2 | 4-Ø19 | 20,8 |
| 080RSV17 | 80 | 310 | 317 | 200 | 160 | 132 | 22-2 | 8-Ø19 | 28,3 |
| 100RSV17 | 100 | 350 | 339 | 220 | 180 | 156 | 24-2 | 8-Ø19 | 38,0 |
| 125RSV17 | 125 | 400 | 411 | 250 | 210 | 184 | 26-2 | 8-Ø19 | 58,0 |
| 150RSV17 | 150 | 480 | 441 | 285 | 240 | 211 | 26-2 | 8-Ø23 | 75,0 |
| 200RSV17 | 200 | 600 | 499 | 340 | 295 | 266 | 30-2 | 12-Ø23 | 122,0 |
| 250RSV17 | 250 | 730 | 530 | 405 | 355 | 319 | 32-3 | 12-Ø28 | 208,0 |
| 300RSV17 | 300 | 850 | 640 | 460 | 410 | 375 | 32-3 | 12-Ø28 | 350,0 |
Материалы конструкции


| 1 | Корпус | Чугун GG25 |
| 2 | Кольцо корпуса | Нержавеющая сталь x20Cr13 |
| 3 | Клапан | Нержавеющая сталь x20Cr13 |
| 4 | Сильфон | Нержавеющая сталь 08Х17Н13М2Т |
| 5 | Болт | Сталь |
| 6 | Гайка | Сталь |
| 7 | Прокладка | Графит |
| 8 | Крышка корпуса | Чугун GG25 |
| 9 | Уплотнение | Графит |
| 10 | Запорный винт | Сталь |
| 11 | Шток | Нержавеющая сталь x20Cr13 |
| 12 | Ограничитель положения | Сталь |
| 13 | Штифт | Сталь |
| 14 | Гайка | Сталь |
| 15 | Штурвал | Сталь |
| 16 | Втулка | Бронза |
| 17 | Масленка | Бронза |
Диаграмма зависимости «Температура-Давление»

Kv (м³/ч) вентиля запорного
| DN | 15 | 20 | 25 | 32 | 40 | 50 | 65 | 80 | 100 | 125 | 150 | 200 | 250 | 300 |
| Kv | 5,9 | 7,4 | 13 | 18 | 30 | 41 | 79 | 115 | 181 | 225 | 364 | 690 | 1010 | 1460 |
Условия монтажа
- Перед монтажом необходимо произвести осмотр, очистить (продуть) трубопроводы от грязи, песка, окалины, снять заглушки с проходных отверстий.
- Затяжку крепежных элементов необходимо осуществлять равномерно. После запуска системы убедитесь в отсутствии протечек в местах присоединения.
- Для удобства обслуживания и осмотра рекомендуется устанавливать вентиля в следующих рабочих приложениях:
- вертикальном (при положении маховика сверху);
- горизонтальном (при положении маховика с отклонением от вертикали не более 90°).
Условия эксплуатации
- Вентили должны использоваться строго по назначению в соответствии с рабочими параметрами, указанными в технической документации.
- Для своевременного выявления и устранения неисправностей необходимо периодически подвергать вентиль осмотру и проверке.
- Вентиль с сильфонным уплотнением в процессе работы не требует сервисного обслуживания, т.к. в нем используется сильфонное уплотнение.
- Данные вентили должны использоваться только для открытия или закрытия потока среды и не предназначены для регулирования.
Условия транспортировки и хранения
- Хранение и транспортировка должна осуществляться без ударных нагрузок при температуре: -40…+65°С.
- Не допускается попадание посторонних предметов внутрь или падение изделия.
- Изделие должно храниться в незагрязненном помещении и быть защищено от воздействия атмосферных осадков.
- При транспортировке корпус изделия должен быть защищен от повреждений.
Паспорт
Задать вопрос
Задать вопрос
| Новосибирск | 105 шт. | |
| Москва | 214 шт. |

