Обратный клапан подъемный фланцевый чугунный REON тип RSV33
- 15
- 20
- 25
- 32
- 40
- 50
- 65
- 80
- 100
- 125
- 150
- 200
Описание
Область применения
Обратный клапан применяется в системах холодного и горячего водоснабжения, отопления, пара и нейтральных сред.
После установки фланцевого подъёмного обратного клапана, мы гарантируем перекрытие потока рабочей среды, если она движется в обратном направлении.
Клапан обратный подъемный может быть установлен как на горизонтальных трубопроводах, так и на вертикальных. Эффективность обратного клапана францевого объясняется простотой его конструкции и принципом действия.
Основа оборудования – это его корпус, который обычно изготавливается из таких прочных и долговечным материалов, как нержавеющая сталь или чугун. А внутри расположен запорный элемент. Действие запорного механизма обеспечивается работой специальной пружины. Благодаря этой детали запорный элемент открывается только в одну сторону, соответствующую направлению потока транспортируемой по трубопроводу жидкости.
Назначение обратного клапана в разных оборудованиях
Обратный клапан для насосной станции препятствует обратному движению жидкости и предотвращает падение давления в системе водоснабжения.
Обратный клапан подъёмный фланцевый также устанавливают в водомерных узлах учета, чтобы предотвратить прокручивание в обратную сторону приборов учета холодной и горячей воды.
Обратный клапан для воды и других рабочих сред ставят везде, где необходимо протекание рабочей среды по трубопроводу только в одном направлении.
Для заказа товара в компании REON или уточнения информации оставьте заявку на нашем сайте, заполнив онлайн-форму. Укажите свои данные, мы свяжемся с вами в самое ближайшее время.
Технические характеристики
| 1 | Номинальный диаметр, DN | 15-200 мм |
| 2 | Максимальное давление, PN | 16 бар |
| 3 | Максимальная температура | +300°С |
| 4 | Присоединение | Фланцевое |
| 5 | Класс герметичности | D (по ГОСТ 9544-2015) |
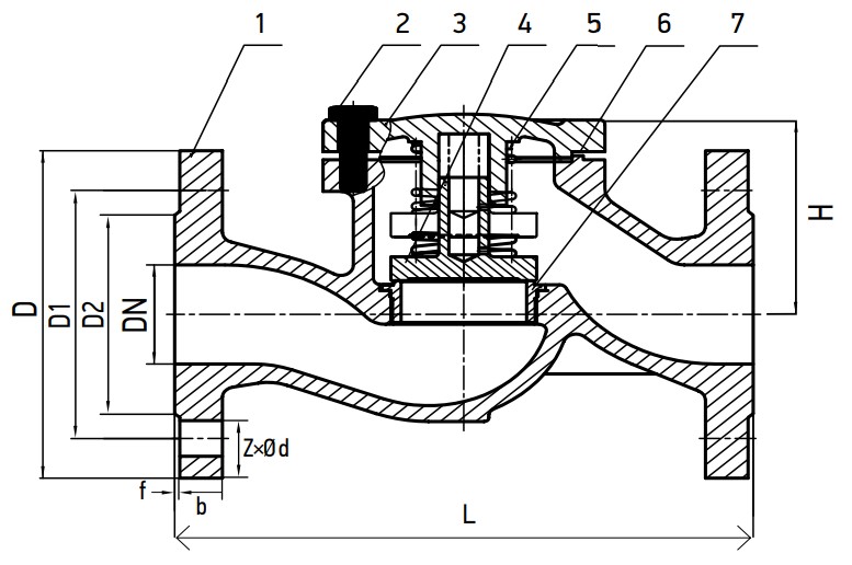
Габаритные и присоединительные размеры
| Артикул | Размеры, мм | Масса, (кг) | |||||||
| DN | L | D | D1 | D2 | b×f | Zר d | H | ||
| 015RSV33 | 15 | 130 | 95 | 65 | 46 | 14×2 | 4×14 | 50 | 2,7 |
| 020RSV33 | 20 | 150 | 105 | 75 | 56 | 16×2 | 4×14 | 55 | 3,3 |
| 025RSV33 | 25 | 160 | 115 | 85 | 65 | 16×2 | 4×14 | 65 | 4,4 |
| 032RSV33 | 32 | 180 | 140 | 100 | 76 | 18×2 | 4×19 | 80 | 6,8 |
| 040RSV33 | 40 | 200 | 150 | 110 | 84 | 18×2 | 4×19 | 90 | 8,4 |
| 050RSV33 | 50 | 230 | 165 | 125 | 99 | 20×2 | 4×19 | 90 | 11,8 |
| 065RSV33 | 65 | 290 | 185 | 145 | 118 | 20×2 | 4×19 | 100 | 18,5 |
| 080RSV33 | 80 | 310 | 200 | 160 | 132 | 22×2 | 8×19 | 120 | 24,6 |
| 100RSV33 | 100 | 350 | 220 | 180 | 156 | 24×2 | 8×19 | 150 | 34 |
| 125RSV33 | 125 | 400 | 250 | 210 | 184 | 26×2 | 8×19 | 170 | 49,7 |
| 150RSV33 | 150 | 480 | 285 | 240 | 211 | 26×2 | 8×23 | 190 | 68,3 |
| 200RSV33 | 200 | 600 | 340 | 295 | 266 | 30×2 | 12×23 | 210 | 110 |
Материалы конструкции

| 1 | Корпус | Чугун GG25 |
| 2 |
Болт |
Сталь |
| 3 |
Крышка корпуса |
Чугун GG25 |
| 4 | Диск |
Нержавеющая сталь Х20Cr13 |
| 5 |
Пружина |
Пружинная сталь |
| 6 | Прокладка |
Графит |
| 7 |
Седло |
Нержавеющая сталь Х20Cr13 |
Диаграмма зависимости «Температура-Давление»
Kv (м³/ч) обратного клапана
| DN | 15 | 20 | 25 | 32 | 40 | 50 | 65 | 80 | 100 | 125 | 150 | 200 |
| Kv | 4,7 | 6,8 | 10,8 | 16,9 | 25,5 | 45,5 | 73,6 | 98,7 | 158 | 249,5 | 385,1 | 655 |
Условия монтажа
- Не допускается использовать клапаны обратные на рабочие параметры, отличные от указанных в технической документации.
- Перед началом эксплуатации трубопровод необходимо продуть для удаления окалины и грязи.
- Соосность трубопровода и расстояние между фланцами должны быть в пределах 3-5 мм от идеальных, чтобы в процессе монтажа на клапан не приходилась чрезмерная механическая нагрузка.
- Клапан устанавливается на трубопровод так, чтобы стрелка на его корпусе совпадала с направлением движения среды, и, для обеспечения равномерного износа при эксплуатации, не ближе 3-5 диаметров после поворота трубы.
- Клапан может устанавливаться на вертикальном, наклонном и на горизонтальном участках трубопровода, т.е. в любом положении. Предпочтительное монтажное положение на наклонном или вертикальном трубопроводе при направлении движения воды снизу вверх.
- Требуется обеспечить достаточное пространство вокруг обратного клапана для будущих работ по техническому обслуживанию.
- Поток среды должен быть направлен по стрелке на корпусе клапана.
- Перед монтажом необходимо тщательно очистить уплотнительные поверхности обратного клапана и присоединительных фланцев.
- Затяжку крепежных болтов необходимо осуществлять равномерно.
- После запуска системы убедитесь в отсутствии протечек в местах присоединения.
- Не забудьте проверить на наличие утечек после нескольких часов работы.
Условия эксплуатации
- Клапаны обратные REON не требуют постоянного ухода.
- Периодически осматривайте клапан на предмет протечки среды.
- Проверку клапана можно провести при замене трубопроводов.
Внимание!
- Не прикасайтесь к работающему изделию в связи с тем, что возможен нагрев поверхностей.
- Перед началом технического обслуживания или демонтажем убедитесь, что изделие не находится под давлением и не имеет высокую температуру.
- Не удаляйте с изделия шильдик с маркировкой.
- Проверять обратные клапаны необходимо регулярно, особенно работающие не постоянно, на наличие утечек через уплотнения.
Условия транспортировки и хранения
- Хранение и транспортировка должна осуществляться без ударных нагрузок при температуре -40…+65 °С.
- Не допускается попадание посторонних предметов внутрь или падений изделия.
- Проверку клапана можно провести при замене трубопроводов.
- Изделие должно храниться в незагрязненном помещении и быть защищено от воздействия атмосферных осадков.
- При транспортировке корпус изделия должен быть защищен от повреждений.
Гарантийные обязательства
Гарантийный срок при соблюдении потребителем правил транспортировки, хранения, монтажа и эксплуатации устанавливается 12 месяцев с момента ввода в эксплуатацию, но не более 18 месяцев с момента продажи. Все вопросы, связанные с гарантийными обязательствами, обеспечивает предприятие-продавец.
|
Тип
|
RSV33 |
|
DN
|
15-200 |
|
PN
|
16 |
|
Т макс.
|
+300°С |
Задать вопрос
| Новосибирск | 23 шт. | |
| Москва | 21 шт. |

